双向高压金属硬密封蝶阀
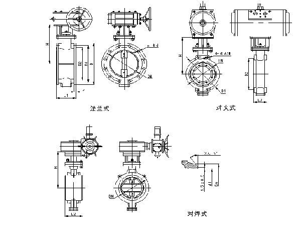
双向高压金属硬密封蝶阀是我公司根据市场需求,研究国内外硬密封蝶阀的结构,消化、吸收、总结的基础上研发的新型专利产品。该产品采用新型的“斜置椭圆蝶板径向动平衡密封结构” ,可靠地实现了金属硬密封蝶阀正反双向密封零泄露,特别适应反向密封要求高的工况。 该产品成批投产后,创造了良好的经济效益和社会效益,深受广大新老用户欢迎。高性能双向金属硬密封蝶阀广泛用于冶金、水电、热电、热力、城市给排水、农田排灌等行业,适用介质为煤气、蒸汽、空气、水等,在管道系统中,作截断或连通介质用。


双向高压金属硬密封蝶阀是我公司根据市场需求,研究国内外硬密封蝶阀的结构,消化、吸收、总结的基础上研发的新型专利产品。该产品采用新型的“斜置椭圆蝶板径向动平衡密封结构” ,可靠地实现了金属硬密封蝶阀正反双向密封零泄露,特别适应反向密封要求高的工况。 该产品成批投产后,创造了良好的经济效益和社会效益,深受广大新老用户欢迎。高性能双向金属硬密封蝶阀广泛用于冶金、水电、热电、热力、城市给排水、农田排灌等行业,适用介质为煤气、蒸汽、空气、水等,在管道系统中,作截断或连通介质用。