NKD43X型双密封真空蝶阀
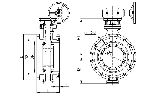
NKD343X型双密封真空蝶阀,是我公司结合国内外最新真空技术标准开发研制成功的新一代高科技产品。 该阀结构设计为:双蝶板,双密封座,采用三维偏心锁紧结构,阀体密封面堆焊钴基硬质合金,密封圈采用耐温,耐腐蚀优质橡胶及氟橡胶用压板牢固的封压在蝶板上可拆换便于维修;阀杆密封部位采用柔性石墨填料中间置真空隔离环加注真空油组合结构,以高新的结构形式突破性的解决了阀门截断后的零泄露,特别是保证了负压运行管路内与大气压隔绝的真空度。从而确保了化工产品在萃取和提纯过程中不被氧化的可靠性。传统的单蝶板密封蝶阀严重的存在管内负压与外界大气压不能真正起到隔绝作用,保证不了真空度,经常发现管路内的化工原料被大气氧化而失纯,以至废掉。







