中科阀门
双向新型蝶阀系列
GI系列高真空蝶阀

GI系列高真空蝶阀

·产品概述

系列高真空蝶阀用来接通或切断真空管道中的气流,适用的工作介质为空气,非腐蚀性气体。

  • 采用标准
  • 型号说明
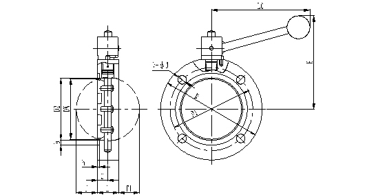
  • 主要外形及连接尺寸

    1.  设计、制造按照就JB/T4079-1991标准执行;
    2.  检验与试验按照JB/T6446-1992标准执行;
    3.  端法兰尺寸符合JB919、GB/T6070标准执行;
    主要零件材料零件名称材料名称阀体、蝶板碳素钢(镀镍)、不锈钢构件13Cr、不锈钢蝶板密封圈丁腈橡胶、氟橡胶填   料丁腈橡胶

    型 号公称通径(DN)
    GI-32GI-40GI-50GI-65GI-80GI-100GI-125GI-150GI-200GI-250GI-300
    公称通径(DN)3240506580100125150200250300
    适用范围(Pa)1.02×105 -6.7×10-4
    介质温度(℃)丁腈橡胶 -25℃ ~~ 80℃ ;氟橡胶 -30℃~ 50℃
    漏气率(Pa.L/S)≤6.7×10-4
    法兰标准JB919 、GB6070
    安装位置任意
    流导(分子流)(L/S)22541056293013002280355041807130--


    主要性能规范


    型号公称通径DN主要连接尺寸 /(mm)重量 (kg)



    DD1D2Z-φdbhff1cLL0H
    GI-32327864364-φ75.335.85.8112282760.74
    GI-40408570444-φ75.339.69.6112282800.86
    GI-505011090554-φ95.314.514.5112295981.35
    GI-6565130110704-φ95.3202013261321452.14
    GI-8080145125854-φ95.325.525.515301321533.19
    GI-1001001701451054-φ125.335.435.415301321653.9
    GI-1251251951701304-φ125.347.847.815301321784.45
    GI-1501502201951568-φ12857.857.817.5351672006.67
    GI-2002002752502088-φ12880.580.5204023229510.85
    GI-2502503303002588-φ12810310322.54526929216.1
    GI-3003003803503088-φ14812312327.55535836823.7
注:以上的产品介绍,参数,图片,数据仅用于参考,如果需更准确的资料请咨询公司的服务热线:86-577-67375377

电话

+86-577-67375977

邮箱

zkfm@zkfm.com

微信

15158537721